Guide metalliche C - EN 60715

Guide a passivazione speciale bianca. In conformità alle normative EN ISO 4042 la resistenza al test di nebbia salina è di 72 h senza comparsa di corrosione bianca e di 120 h senza comparsa di corrosione rossa. In base a questi dati il trattamento ha la medesima resistenza della vecchia passivazione gialla iridescente contenente Cr6.

- "B" = Bulinata
- "F" = Forata
- "N" = Normale senza bulinatura

SA-GC-3262

32 "B"

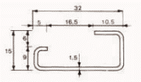
32 x 15

40 m

SA-GC-3270

32 "F"

32 x 15

40 m

SA-GC-9350

DINFAST 35

100

SA-GC-9467

DINFAST 46

100

SA-GC-2520

25 "N

25 x 15

40 m

SA-GC-2546

PRIG. 25P4

100

SA-GC-2553

PRIG. 25P5

100

SA-GC-2561

PRIG. 25P6

100

SA-GC-3007

30 "N

30 x 15

20 m

SA-GC-3015

PRIG. 30P4

100

SA-GC-3023

PRIG. 30P5

100

SA-GC-3031

PRIG. 30P6

100

Materiali e finiture

Blocchetti fissabili a scatto alle guide "32" formati dalla parte esterna in resina acetalica (POM) e da una placchetta in acciaio con due fori filettati

Prigionieri filettati per guide C25 e guide C30