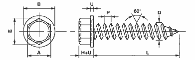
Viti autofilettanti con finta rondella

Vite prevalentemente impiegata nell’industria meccanica, plastica e anche per particolari utilizzi nel settore del legno. Utilizzo su lamiere e particolari metallici senza nessuna operazione di maschiatura.

Finiture disponibili
Zincata bianca

Normative di riferimento
DIN 6928
UNI 6950

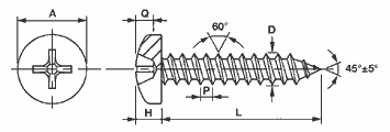
Viti autofilettanti UNI 6954

Prevalentemente impiegata nell’industria meccanica, plastica e anche per particolari utilizzi nel settore del legno. Utilizzo su lamiere e particolari metallici senza nessuna operazione di maschiatura.

Finiture disponibili
Zincata bianca
Zincata nera
Nichelata

Normative di riferimento
DIN 7981
UNI 6954

Viti autofilettanti UNI 6955

Vite prevalentemente impiegata nell’industria meccanica, plastica e anche per particolari utilizzi nel settore del legno. Utilizzo su lamiere e particolari metallici senza nessuna operazione di maschiatura.

Finiture disponibili
Zincata bianca
Zincata nera
Nichelata

Normative di riferimento
DIN 7982
UNI 6955

Viti autofilettanti con testa esagonale

Vite prevalentemente impiegata nell’industria meccanica, plastica e anche per particolari utilizzi nel settore del legno. Utilizzo su lamiere e particolari metallici senza nessuna operazione di maschiatura. Specifica per serramenti in alluminio.

Finiture disponibili
Zincata bianca
Zincata nera
Topical